当前位置:首页 > 产品中心 > 主板 > ARM主板-全志A133 > A133全功能主板-L301 | CPU | 1.A133最高64位性能CPU,1.6GHz;2.四Cortex-A53 64bit CPU |
| GPU | Imagination PowerVR GE8300 |
| 内存/存储 | LPDDR4标配2G/EMMC标配32G |
| LVDS输出 | 1个单/双路,可直接驱动1920×1080液晶屏 |
| MIPI输出 | 单/双通道MIPI输出 |
| MIC | 支持1路带驱动的音频输入 |
| 音视频输出 | 支持左右声道输出,内置双4R/20W,8R/10W功效 |
| 4G | 内置WCDMA, EVDO, 4G全网通,标配CAT1模块 |
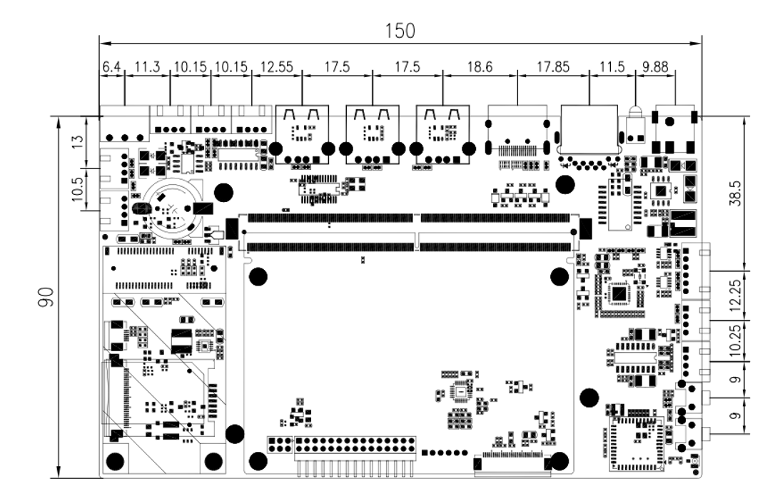
| USB接口 | 3个USB2.0-A HOST插座(其中1个PH2.0-4PIN为复用) 2个USB插座(PH2.0-4PIN)其中1路与OTG复用,共计5路USB |
| 串口 | 2路RS232(其中1路与DEBUG口复用),2个485 共4路串口 |
| WIFI、BT | 内置WIFI,BT4.0 |
| 以太网 | 1个,自适应 100M/1000M以太网 |
| 开关机 | 支持开关机(一个PH2.0-2PIN的接口) |
| GPIO | 支持带3.3V电源与地的4路GPIO口 |
| 视频播放 | 支持wmv、avi、flv、rm、rmvb、mpeg 、ts、mp4等 |
| 图片格式 | 支持BMP、JPEG、PNG、GIF |
| 操作系统 | Android10 or UP 默认安卓11 |
| RTC实时时钟 | 支持电池和超级电容(默认为超级电容) |
| 定时开关机 | 支持 |
| 系统升级 | 支持本地USB升级 |

